Piezas del Pulverizador GS768

Maximice el rendimiento de su pulverizador de mochila a gasolina GS768 con repuestos CRAFTOP de primera calidad:
Conjunto del Motor del Pulverizador: Cilindros, juntas, cigüeñales, conjuntos de pistón, bujías, silenciadores y estatores de calidad para un rendimiento óptimo.
Conjunto del Sistema de Combustible: Conjuntos de tanque de combustible, pantallas, tubos y más para mantener un sistema de combustible de primer nivel.
Conjunto de la Pistola de Pulverización de Mochila: Placas de pulverización eficientes, impulsadores, conjuntos de placa de nebulización, mangueras, clips y conjuntos de boquilla.
Otros Conjuntos: Arrancador, cuerpo y varias piezas de repuesto para una cobertura completa.
Elija entre cilindros recubiertos de cerámica o cromado, reflejando nuestra tecnología de producción avanzada y estricto control de calidad.

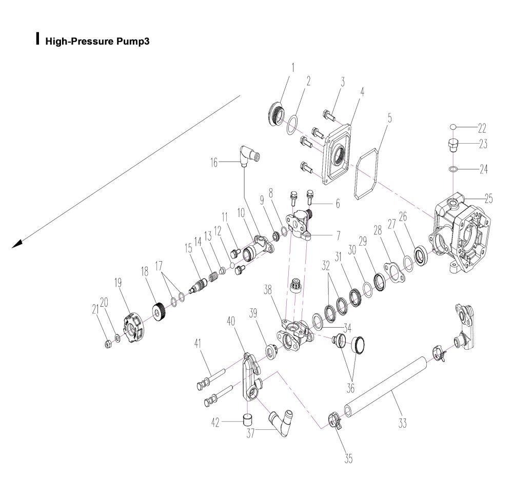
Despiece de la Máquina Completa

Piezas de Repuesto Importantes

1710743591774531
A10 Conjunto de Cigüeñal
1710743591430232
A17 Conjunto de Arrancador
1710743591883192
A23 Conjunto de Pistón
1710743591939076
B7 Silenciador
1710743592644750
B9 Cilindro
1710743592632805
B16 Carburetor
1710743592988798
B19 Conjunto de Filtro de Aire
1710743592299415
C1 Conjunto de Volante
1710743592186372
C3 Conjunto de Encendedor
1710743592378791
C10 Conjunto de Embrague
1710743593683545
D1 Conjunto de Aceitera
1710743593810552
E12 Correa
1710743593867726
F11-19 Conjunto de Interruptor de Acelerador
1710743594201163
F21 Bomba de Pistón
1710743594646865
G1 Tubo de Alta Presión
1710743594598663
G3+4+8+9 Conjunto de Pistola Pulverizadora
1710743594858721
G5 Interruptor de Válvula de Bola
1710743594478806
H19 Tambor de Embrague
1710743594384188
J1 Émbolo
1710743595528160
J17 Tubo de Conexión de Salida

Otras Piezas de Repuesto

CÓDIGO NOMBRE DE LA PIEZA CÓDIGO NOMBRE DE LA PIEZA
A-1 Tornillo F-20 Cable del Acelerador
A-2 Escudo Térmico F-21 Bomba de Pistón
A-3 Tornillo F-22 Circlip
A-4 Caja Grande F-23 Tubo de Entrada de Agua
A-5 Empaque del Carcasa del Cigüeñal F-24 Circlip
A-6 Pasador Cilíndrico G-1 Tubo de Alta Presión 1.5M
A-7 Cojinete G-2 Juego de Boquillas
A-8 Sello de Aceite G-3 Boquilla de Tres Huecos
A-9 Llave Semi-Circular G-4 Combinación de Brazo
A-10 Ensamblaje de Biela del Cigüeñal G-5 Interruptor de Válvula de Bola
A-11 Cojinete G-6 Junta Tórica de Agarre
A-12 Sello de Aceite G-7 Manija
A-13 Caja Pequeña G-7 Manija
A-14 Ensamblaje del Dial de Arranque G-8 Pistola Recta de 90 cm
A-15 Tornillo G-9 Pistola Recta de 60 cm
A-16 Arandelas Planas para Tornillo G-10 Boquilla, Metal de 2 Cabezas
A-17 Ensamblaje del Arranque G-11 Boquilla, Anillo de 4 Cabezas
A-18 Polea (Tipo D Arranque Normal) G-12 Boquilla, Metal de 3 Cabezas
A-19 Resorte del Arranque G-13 Boquilla, Plástica de 2 Cabezas
A-20 Capucha del Arranque G-14 Junta Tórica del Interruptor
A-21 Tornillo H-1 Pie de Amortiguación
A-22 Tornillo H-2 Con Tuerca de Plástico Auto-Bloqueante
A-23 Combinación de Pistón H-3 Junta Tórica
A-24 Anillo del Pistón H-4 Tornillo de Drenaje de Aceite
A-25 Pistón H-5 Pasador Cilíndrico
A-26 Pasador del Pistón H-6 Rodamientos de Rodillo
A-27 Rodamiento de Rodillo H-7 Eje de Engranaje (Pequeño)
A-28 Circlip del Pistón H-8 Cojinete
A-29 Ensamblaje de Empaque H-9 Cojinete
B-1 Ensamblaje de Cubierta del Cilindro H-10 Cojinete
B-2 Tornillo H-11 Almohadilla de Sellado Hexagonal
B-3 Perilla de Cubierta del Filtro de Aire H-12 Eje Excéntrico (Grande)
B-4 Cubierta del Filtro de Aire H-13 Cojinete
B-5 Algodón del Filtro de Aire H-14 Perno Hexagonal
B-6 Tornillo H-15 Cubierta de la Caja de Engranajes
B-7 Silenciador H-16 Junta Tórica
B-8 Empaque del Silenciador H-17 Manga del Émbolo (Manga de Sello)
B-9 Cilindro H-18 Sello de Manga de Sellado
B-10 Empaque del Cilindro H-19 Tambor del Embrague
B-11 Bujía I-1 Perno Hexagonal Cruzado
B-12 Empaque del Tubo de Admisión I-2 Empaque
B-13 Tubo de Admisión I-3 Empaque
B-14 Tornillo I-4 Cubierta de la Caja de Engranajes
B-15 Empaque del Carburador I-5 Junta Tórica
B-16 Carburador I-6 Perno Hexagonal Cruzado
B-17 Ensamblaje del Filtro de Aire I-7 Salida de Agua de Cabeza Única
B-18 Cubierta Interior del Filtro de Aire I-8 Junta Tórica
B-19 Tornillo I-9 Asiento (Acero Inoxidable)
B-20 Tornillo I-10 Cuerpo del Regulador (Cobre)
C-1 Ensamblaje del Volante I-11 Perno Hexagonal Cruzado
C-2 Tuerca I-12 Bola de Acero
C-3 Ensamblaje del Encendedor I-13 Soporte de Resorte
C-4 Tornillo I-14 Resorte Regulador de Presión
C-5 Empaque del Embrague I-15 Vástago del Regulador de Presión
C-6 Embrague I-16 Conector de Agua de Retorno
C-7 Arandelas de Onda I-17 Junta Tórica
C-8 Eje de Tornillo I-18 Tuerca Reguladora de Presión
C-9 Piezas de Aluminio de Carcasa I-19 Rueda Reguladora de Presión
C-10 Tornillo I-20 Arandelas Planas
C-11 Ensamblaje del Embrague I-21 Tuerca de Bloqueo
D-1 Ensamblaje del Recipiente de Aceite I-22 Sello
D-2 Filtro de Gasolina I-23 Tornillo de Aceite
D-3 Pie de Amortiguación I-24 Junta Tórica
D-4 Asiento del Tubo de Aceite I-25 Asiento de la Caja de Engranajes
D-5 Salida de Aceite I-26 Sello de Émbolo
D-6 Tubo de Entrada I-27 Junta Tórica
D-7 Engrasador I-28 Placa
D-8 Ensamblaje de la Cubierta del Aceite I-29 Gland
D-9 Tornillo I-30 Anillo de Ajuste
D-10 Base de Energía I-31 Anillo de Aceite
D-11 Con Tuerca de Plástico Auto-Bloqueante I-32 Tipo V (Caucho)
D-12 Arandela Plana I-33 Manguera de Caucho Negra
D-13 M5*22 I-34 Anillo de Soporte
E-1 Tapa del Recipiente de Medicamentos I-35 Abrazadera (Circlip)
E-2 Tapón de Admisión I-36 Taza de Mantequilla
E-3 Sello de la Tapa del Recipiente de Medicamentos I-37 Conector de Entrada
E-4 Filtro de Entrada I-38 Cilindro de Cabeza Única
E-5 Filtro de Salida I-39 Ensamblaje de Válvula
E-6 Barril de Medicamentos I-40 Cabeza Doble Cuadrada
E-7 Circlip I-41 Perno Hexagonal
E-8 Tubo de Retorno I-42 Tapón
E-9 Circlip J-1 Émbolo
E-10 Empaque de la Tapa de Drenaje J-2 Sello de Aceite del Émbolo
E-11 Tapa de Drenaje J-3 Junta Tórica
E-12 Correa J-4 Placa
E-12 Correa J-5 Gland (Cobre)
F-1 Almohadilla de Respaldo J-6 Anillo de Aceite (Cobre)
F-2 Tornillo Autotaladrante J-7 Tipo V (Caucho)
F-3 Tornillo de Cabeza Plana J-8 Anillo de Ajuste
F-4 Chasis J-9 Anillo de Soporte
F-5 Tuerca Auto-Bloqueante J-10 Cilindro de Cabeza Doble
F-6 Arandela Plana J-11 Ensamblaje de Válvula
F-7 Perno de Cabeza Hexagonal J-12 Taza de Mantequilla
F-8 Arandela Plana J-13 Perno Hexagonal Cruzado
F-9 Tuerca Auto-Bloqueante K-1 Kit de Herramientas
F-10 Perno de Cabeza Hexagonal K-2 Bolsa de Herramientas
F-11 Tuerca de Interruptor de Parada K-3 Llave Española
F-12 Cable Rojo del Interruptor de Apagado K-4 Llave Hexagonal
F-13 Tuerca Auto-Bloqueante K-5 Llave Hexagonal
F-14 Soporte para Cable del Acelerador K-6 Llave de Ajuste
F-15 Interruptor de Apagado F-19 Tornillo de Cabeza Pan Cruzado
F-16 Cubierta del Interruptor de Apagado
F-17 Interruptor del Acelerador
F-18 Arandela Plana
F-19 Tornillo de Cabeza Pan Cruzado

¿Busca accesorios de alta calidad para su máquina? ¡Envíe una consulta ahora!

Por favor, indique el modelo de su máquina en su consulta y mencione palabras clave como partes de motosierra, partes de desbrozadora, partes de fumigadora/polinizadora, partes de soplador de hojas, partes de cortasetos, partes de bomba de agua, partes de generador, partes de motor, partes de cortacésped, etc.

Productos relacionados